Yueqing Tongda Tel Elektrik Fabrikası'nın mikro anahtar serisinin referans modeli olan Normalde Açık Elektronik Bileşen Kolu Mikro Anahtarı, temel avantajları olarak "yüksek hassasiyet, ultra uzun kullanım ömrü ve çoklu senaryoya uyarlanabilirlik" özelliğine sahiptir. Şirketin 35 yıllık anahtar üretim tecrübesini birleştirerek minimum temas aralığı ve hızlı aksiyon mekanizması sayesinde ev aletleri, otomotiv elektroniği, endüstriyel otomasyon ve diğer alanlarda anahtar kontrol bileşeni haline gelmiştir. Performansı ve güvenilirliği dünya çapında çok sayıda yetkili kuruluş tarafından onaylanmıştır ve niş pazardaki ana konumunu güvence altına almaktadır.
Mikro Anahtar Giriş
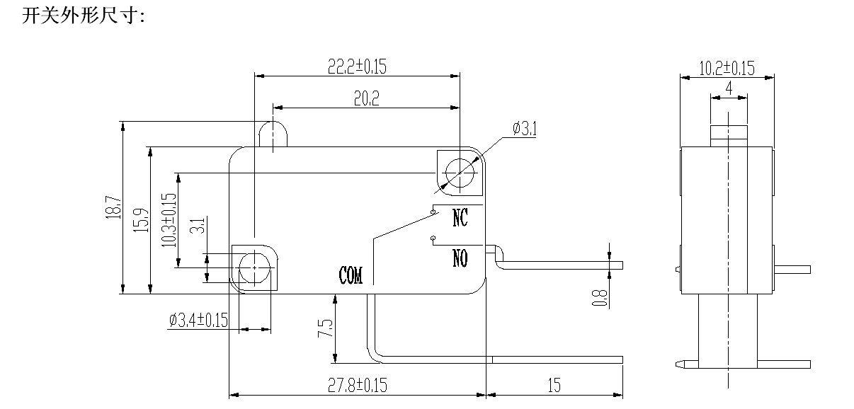
HK-14 serisi, farklı uygulama gereksinimlerini karşılamak için son derece esnek özelleştirme seçenekleri sunar. Çalışma kuvveti, farklı tetikleme kuvveti ve yer değiştirme senaryolarına uygun, 0,6–1,5 mm çalışma stroku aralığıyla özelleştirilebilir (kolsuz durumda 5,0 N'den az, standart 30±15 gf). Çeşitli mekanik transmisyon yapılarıyla eşleşebilecek düz, kavisli ve makaralı kollar dahil olmak üzere kol stilleri özelleştirilebilir. İletişim formları SPDT (1NO 1NC), NO ve NC'nin tamamını kapsar.
Mikro Anahtar Parametresi (Şartname)
| Teknik Özellikleri Değiştirin: | |||
| ÖĞE | Teknik Parametre | Değer | |
| 1 | Elektrik Derecelendirmesi | 5(2)A/10A/16(3)A/21(8)A 250VAC | |
| 2 | Kontak Direnci | ≤30mΩ Başlangıç değeri | |
| 3 | Yalıtım Direnci | ≥100MΩ (500VDC) | |
| 4 |
Dielektrik Gerilim |
Arasında bağlı olmayan terminaller |
1000V/0.5mA/60S |
|
Terminaller arasında ve metal çerçeve |
3000V/0.5mA/60S | ||
| 5 | Elektrik Ömrü | ≥50000 döngü | |
| 6 | Mekanik Ömür | ≥1000000 döngü | |
| 7 | Çalışma Sıcaklığı | -25~125°C | |
| 8 | Çalışma Frekansı |
elektrik :15 döngü Mekanik: 60 çevrim |
|
| 9 | Titreşime Dayanıklı |
Titreşim Frekansı: 10~55HZ; Genlik: 1,5 mm; Üç yön: 1H |
|
| 10 |
Lehim Yeteneği: Daldırılan kısmın %80'inden fazlası lehim ile kaplanacaktır |
Lehimleme Sıcaklığı :235±5°C Daldırma Süresi: 2~3S |
|
| 11 | Lehim Isı Direnci |
Daldırma Lehimleme :260±5°C 5±1S Manuel Lehimleme : 300±5°C 2~3S |
|
| 12 | Güvenlik Onayları | UL、CSA、VDE、ENEC、TUV、CE、KC、CQC | |
| 13 | Test Koşulları |
Ortam Sıcaklığı :20±5°C Bağıl Nem :65±5%RH Hava Basıncı: 86~106KPa |
|
Mikro Switch Özelliği ve Uygulaması
Mikro Anahtar Detayları
