Yueqing Tongda Tel Elektrik Fabrikasının temel standardizasyon ve özelleştirme entegrasyonunu bünyesinde barındıran temsili bir ürünü olarak Meyve Sıkacakları, Elektrikli Süpürgeler, Yazıcılar ve Diğer Cihazlar için Mikro Anahtarlar, "kararlılık, güvenilirlik ve sahne uyumluluğu" temel ilkeleriyle tasarlanmıştır. Elektrik performansında, koruma seviyelerinde ve kullanıcı deneyiminde çok sayıda optimizasyon sağlayan şirketin 35 yıllık anahtar üretim uzmanlığını bünyesinde barındırıyor. Anahtarın akıllı ev güç dağıtımı, endüstriyel yardımcı ekipman ve küçük tıbbi cihazlar gibi senaryolara geniş çapta uygulanabilmesi, onu evrenselliği kişiselleştirme potansiyeliyle dengeleyen tercih edilen bir devre kontrol bileşeni haline getiriyor.
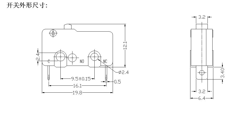
Mikro Anahtargiriiş
Aşağıdakiler, alıcıların ürün kalitesini değerlendirmek için anlaması gereken temel üretim adımlarıdır:
1. Bileşen İmalatı: Hassas şekilde işlenmiş metal kontaklar ve yaylar; dayanıklı kasa (plastik/metal malzemeler).
2. Montaj: Performansın etkilenmesini önlemek için yayların, kontakların ve aktüatörlerin doğru şekilde monte edilmesi.
3. Test: Güvenilirliği sağlamak için sıkı testler (binlerce pres testi, elektriksel süreklilik testleri).
4. Ambalaj: Kolay taşıma için, spesifikasyonların açık bir şekilde etiketlendiği koruyucu ambalaj.
Mikro AnahtarBaşvuru
Mikro anahtarlar yaygın olarak kullanılır ve performans açısından güvenilirdir; esas olarak aşağıdaki alanlarda uygulanır:
- Ev aletleri: buzdolabı ışıkları, mikrodalga fırın kapı kilitleri, çamaşır makinesi kapak anahtarları ve ekmek kızartma makinesi zamanlayıcıları.
- Endüstriyel ekipman: Konveyör bantlara, makinelere ve kontrol panellerine uygun ağır hizmet modelleri (toza ve neme dayanıklı).
- Otomotiv alanı: ön cam silecekleri, kapı aralık göstergeleri — titreşime ve aşırı sıcaklıklara dayanabilir.
- Elektronik cihazlar: uzaktan kumandalar ve oyun kumandaları için minyatür anahtarlar (duyarlı ve uzun ömürlü).
Mikro Anahtar Şartname
| Teknik Özellikleri Değiştirin: | |||
| ÖĞE | Teknik Parametre | Değer | |
| 1 | Elektrik Derecelendirmesi | 5(2)A 125V/250VAC 10(3)125V/250VAC | |
| 2 | Kontak Direnci | ≤50mΩ Başlangıç değeri | |
| 3 | Yalıtım Direnci | ≥100MΩ (500VDC) | |
| 4 |
Dielektrik Gerilim |
Arasında bağlı olmayan terminaller |
500V/0.5mA/60S |
| Terminaller arasında ve metal çerçeve |
1500V/0.5mA/60S | ||
| 5 | Elektrik Ömrü | ≥10000 döngü | |
| 6 | Mekanik Ömür | ≥100000 döngü | |
| 7 | Çalışma Sıcaklığı | -25~125°C | |
| 8 | Çalışma Frekansı | Elektrik:15 çevrim Mekanik: 60 döngü |
|
| 9 | Titreşime Dayanıklı | Titreşim Frekansı: 10~55HZ; Genlik: 1,5 mm; Üç yön: 1H |
|
| 10 | Lehimleme Yeteneği: Daldırılan kısmın %80'inden fazlası lehim ile kaplanacaktır |
Lehimleme Sıcaklığı : 235±5°C Daldırma Süresi: 2~3S |
|
| 11 | Lehim Isı Direnci | Daldırma Lehimleme :260±5°C 5±1S Manuel Lehimleme :300±5°C 2~3S |
|
| 12 | Güvenlik Onayları | UL、CSA、VDE、ENEC、CE | |
| 13 | Test Koşulları | Ortam Sıcaklığı :20±5°C Bağıl Nem :65±5%RH Hava Basıncı : 86~106KPa |
|
Tongda Tel Elektrik Mikro USB Hat İçi Güç Anahtarı Detaylar


