Yueqing Tongda Tel Elektrik Fabrikası'nın mikro anahtar serisinin referans modeli olan HK-14 Yüksek Sıcaklık 16A 250V Akım Mikro Anahtarı, temel avantajları olarak "yüksek hassasiyet, ultra uzun kullanım ömrü ve çoklu senaryoya uyarlanabilirlik" özelliğine sahiptir. Şirketin 35 yıllık anahtar üretim tecrübesini birleştirerek minimum temas aralığı ve hızlı aksiyon mekanizması sayesinde ev aletleri, otomotiv elektroniği, endüstriyel otomasyon ve diğer alanlarda anahtar kontrol bileşeni haline gelmiştir. Performansı ve güvenilirliği dünya çapında çok sayıda yetkili kuruluş tarafından onaylanmıştır ve niş pazardaki ana konumunu güvence altına almaktadır.
Mikro Anahtar Giriş
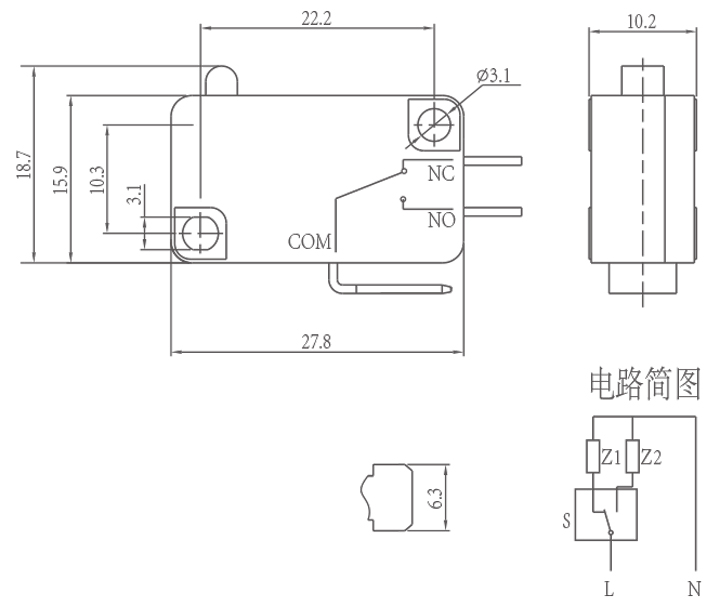
HK-14 serisi, farklı uygulamaların gereksinimlerini karşılamak için son derece esnek özelleştirme seçenekleri sunar. Çalıştırma kuvveti özelleştirilebilir (kolsuz durumda 5,0N'den az, normalde 30±15gf), 0,6 ila 1,5 mm çalışma strok aralığı ile çeşitli tetikleme kuvveti ve yer değiştirme senaryolarına uyum sağlar. Düz kollar, bükülmüş kollar ve makaralı kollar dahil olmak üzere kol stilleri, çeşitli mekanik iletim yapılarına uyacak şekilde özelleştirilebilir. Tekli kontrol, kilitleme ve diğer devre tasarımı ihtiyaçlarını karşılamak için tüm aralığı kapsayan kontak türleri SPDT (1NO+1NC), NO ve NC'yi içerir.
Kurulum ve Kullanım Yönergeleri
Kurulum sırasında, anahtar düz bir yüzeye monte edilmeli ve düz olmayan yüzeylerin neden olduğu arızayı veya mahfazanın hasar görmesini önlemek için düz bir rondela veya yaylı rondela ile sabitlenmelidir. Ortama göre modelleri seçin: Nemli veya tozlu koşullar için, korumayı artırmak amacıyla sızdırmaz özel bir versiyonun kullanılması önerilir. Kontak yapışmasını, işlevsel arızaları ve hatta yanmayı önlemek için düğmeye veya aktüatöre yağlama yağı uygulamayın. Depolama sırasında ürünü kuru, havalandırılmış, yağmur veya kardan korunan bir alanda saklayın ve bileşenlerin eskimesine neden olabilecek yüksek sıcaklık ve nemden kaçının, böylece ürünün orijinal performansını korumasını sağlayın.
Mikro Anahtar Parametresi (Şartname)
| Teknik Özellikleri Değiştirin: | |||
| ÖĞE | Teknik Parametre | Değer | |
| 1 | Elektrik Derecelendirmesi | 5(2)A/10A/16(3)A/21(8)A 250VAC | |
| 2 | Kontak Direnci | ≤30mΩ Başlangıç değeri | |
| 3 | Yalıtım Direnci | ≥100MΩ (500VDC) | |
| 4 |
Dielektrik Gerilim |
Arasında bağlı olmayan terminaller |
1000V/0.5mA/60S |
|
Terminaller arasında ve metal çerçeve |
3000V/0.5mA/60S | ||
| 5 | Elektrik Ömrü | ≥50000 döngü | |
| 6 | Mekanik Ömür | ≥1000000 döngü | |
| 7 | Çalışma Sıcaklığı | -25~125°C | |
| 8 | Çalışma Frekansı |
elektrik :15 döngü Mekanik: 60 çevrim |
|
| 9 | Titreşime Dayanıklı |
Titreşim Frekansı: 10~55HZ; Genlik: 1,5 mm; Üç yön: 1H |
|
| 10 |
Lehim Yeteneği: Daldırılan kısmın %80'inden fazlası lehim ile kaplanacaktır |
Lehimleme Sıcaklığı :235±5°C Daldırma Süresi: 2~3S |
|
| 11 | Lehim Isı Direnci |
Daldırma Lehimleme :260±5°C 5±1S Manuel Lehimleme : 300±5°C 2~3S |
|
| 12 | Güvenlik Onayları | UL、CSA、VDE、ENEC、TUV、CE、KC、CQC | |
| 13 | Test Koşulları |
Ortam Sıcaklığı :20±5°C Bağıl Nem :65±5%RH Hava Basıncı: 86~106KPa |
|
Mikro Switch Özelliği ve Uygulaması
Mikro Anahtar Detayları
